tunozemichanの日記 / tunozemichan's diary

SORD社のコンピューターM68やM68MXの解析についての備忘録です。This blog is a memorandum about the analysis of SORD's computers M68 and M68MX.

SORD M68 Keyboardの解析(その3)

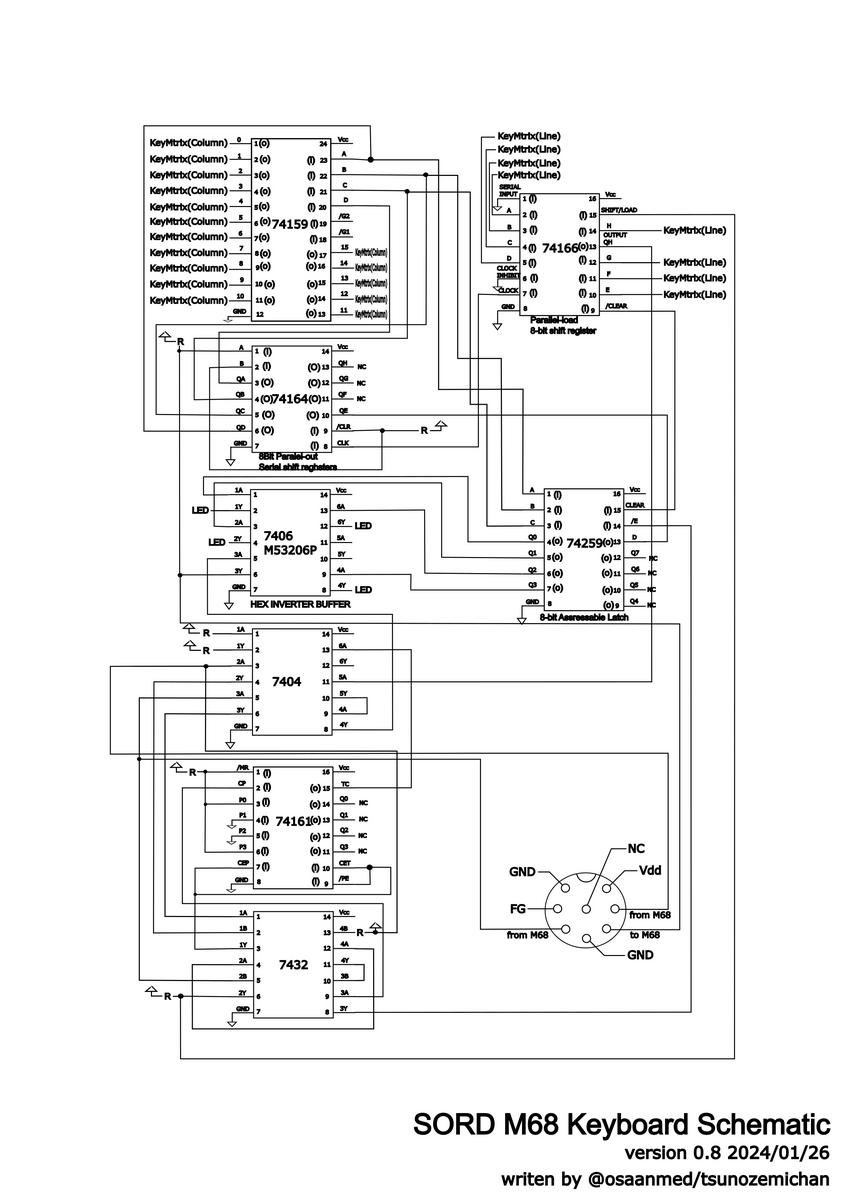
何年間も放置していたSORD M68のキーボードの回路についての解析を始めました。まだ、回路全体を明らかにできていませんが動作の概要は知ることができました。M68のキーボードは1980年代のPCに典型的なキースキャン方式で、キーマトリクスの押下情報(パラレル)を8bitのシリアルに変換して、M68に送っていると思われます。具体的な信号の内容はこれからロジックアナライザで調べます。特殊な転送方式ではありませんので、PS/2やUSBへの変換アダプターを作成することもできると思います。

回路図(途中まで)